POMPE A ENGRAIS TRI 1200L/MIN
Code 103631
Avantages :
Combinaison d'une pompe auto amorçante (avec palier et arbre nu) et d'un moteur électrique montés sur un bâti
Roue ouverte
POMPE A ENGRAIS TRI 1200L/MIN
MOTEUR 11KW SUR BATI
Réf. 103631
Identifiants incorrects
Connectez-vous pour connaître votre prix
Vous n'avez pas de compte ?
Créez un compte distributeur
Tableau technique
Ampérage :
21,50 A
Puissance :
11 kW
Tension :
400 V
DNA :
3''
DNR :
3''
Modèle :
AA15BEL
Documents relatifs au produit
Avantages produits
Avantages :
Combinaison d'une pompe auto amorçante (avec palier et arbre nu) et d'un moteur électrique montés sur un bâti
Roue ouverte
Pour un usage intensif
Le temps de fabrication de ce produit est supérieur à la moyenne. Le délais de livraison peut être impacté.
Le temps de fabrication de ce produit est supérieur à la moyenne. Le délais de livraison peut être impacté.
Description technique
Pompe spécialement conçue pour les liquides clairs ou légèrement chargés, y compris les insecticides, fertilisants et engrais.
Informations techniques :
- Débit max : 1 200 litres / minute
- Pression max : 4.7 bar
- Pompe RENSON utilisée : AA 15 PL
- Alimentation triphasée
Informations techniques :
- Débit max : 1 200 litres / minute
- Pression max : 4.7 bar
- Pompe RENSON utilisée : AA 15 PL
- Alimentation triphasée
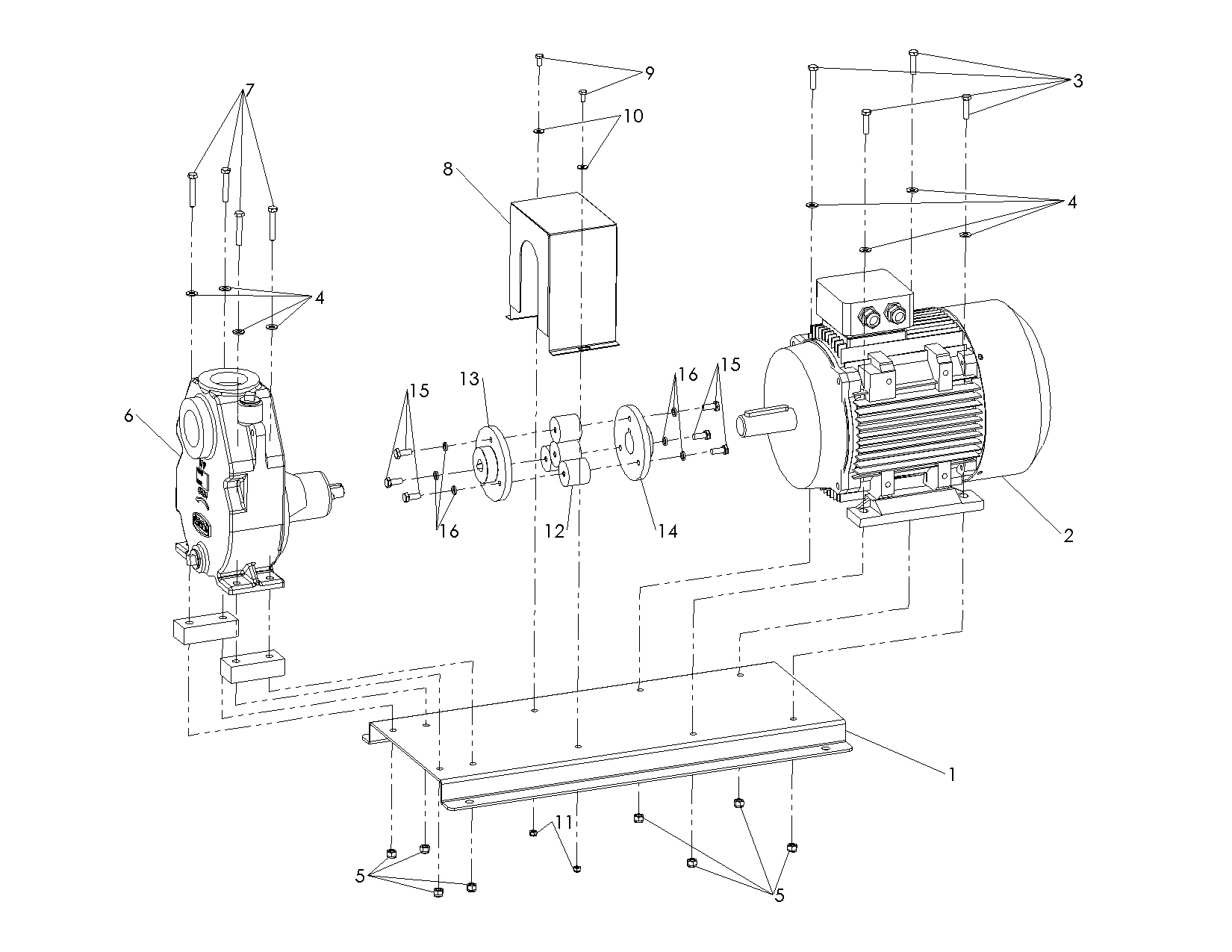
Vues éclatées
Repère
Code
Stock
Libellé
01
Ce produit n'est plus disponible
SUPPORT DE TOLE PLIEE 850x430 GRAND MODELE
02
Sur commande
MOTEUR TRI B3 3000T 400Vx690V 11KW - 21A
03
En stock
VIS H M10x1,5x45 ZINGUÉ 8.8 DIN933
04
En stock
RONDEL ZINC M10 (M10,5X22X2)
05
En stock
ÉCROU HFB M10x1,5x10 ZG |5| DIN985 - AUTO-FREINÉ
06
En rupture
POMPE A ENGRAIS 1200L/MIN ARBRE NU
07
En stock
VIS H M10x1,5x60 ZINGUÉ 8.8 DIN933
08
En stock
PROTECTEUR D'ACCOUPLEMENT MODELE MOYEN
09
En stock
VIS H M8x1,25x16 ZINGUÉ 8.8 DIN933
10
En stock
RONDELLE D8x20x1,5
11
En stock
ÉCROU HFB M8x1,25x8 ZINGUÉ |5| DIN985 - AUTO-FREINÉ
12
En stock
FIXAFLEX 50 x 45
13
En stock
1/2 ACCOUPLEMENT RENSON PETIT MODELE ALESAGE 24
14
En stock
1/2 ACCOUPLEMENT RENSON GRAND MODELE ALESAGE 42
15
En stock
VIS JAPY M10x25 ZINC
16
En stock
RONDELLE GROWER M10 ZINGUÉ DIN127B
01
Ce produit n'est plus disponible
154217
SUPPORT DE TOLE PLIEE 850x430 GRAND MODELE
02
Sur commande
159841
MOTEUR TRI B3 3000T 400Vx690V 11KW - 21A
03
En stock
137166
VIS H M10x1,5x45 ZINGUÉ 8.8 DIN933
04
En stock
100065
RONDEL ZINC M10 (M10,5X22X2)
05
En stock
951564
ÉCROU HFB M10x1,5x10 ZG |5| DIN985 - AUTO-FREINÉ
06
En rupture
103648
POMPE A ENGRAIS 1200L/MIN ARBRE NU
07
En stock
916073
VIS H M10x1,5x60 ZINGUÉ 8.8 DIN933
08
En stock
154323
PROTECTEUR D'ACCOUPLEMENT MODELE MOYEN
09
En stock
911566
VIS H M8x1,25x16 ZINGUÉ 8.8 DIN933
10
En stock
137122
RONDELLE D8x20x1,5
11
En stock
951965
ÉCROU HFB M8x1,25x8 ZINGUÉ |5| DIN985 - AUTO-FREINÉ
12
En stock
100158
FIXAFLEX 50 x 45
13
En stock
101621
1/2 ACCOUPLEMENT RENSON PETIT MODELE ALESAGE 24
14
En stock
101638
1/2 ACCOUPLEMENT RENSON GRAND MODELE ALESAGE 42
15
En stock
100030
VIS JAPY M10x25 ZINC
16
En stock
941164
RONDELLE GROWER M10 ZINGUÉ DIN127B