POMPE HAUTE PRESSION
Code 130840
POMPE HAUTE PRESSION
SXM 15/20C
Réf. 130840
Identifiants incorrects
Connectez-vous pour connaître votre prix
Vous n'avez pas de compte ?
Créez un compte distributeur
Documents relatifs au produit
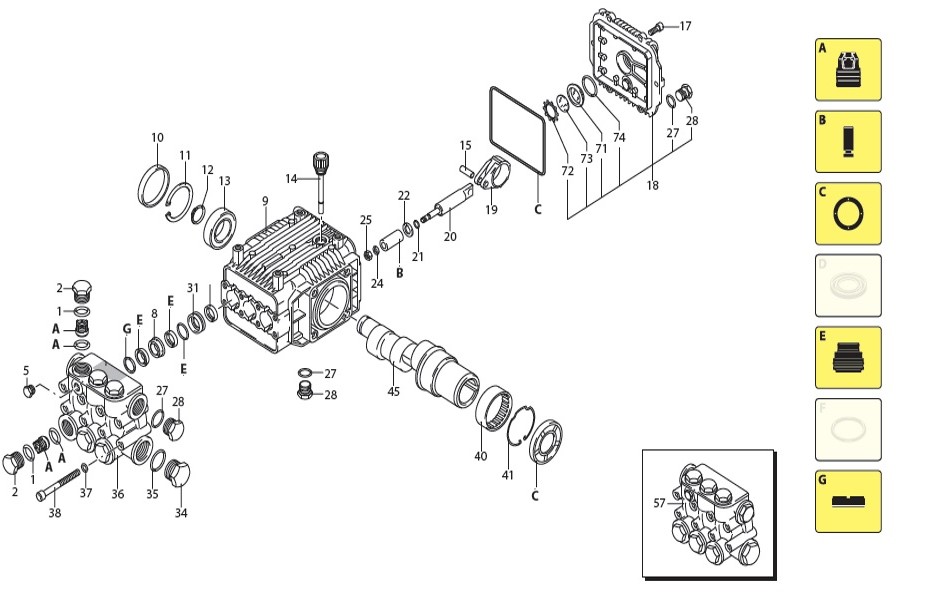
Vues éclatées
Repère
Code
Stock
Libellé
01
En stock
JOINT O-RING 17,86x2,62 POUR POMPE NHP ANNOVI
02
En stock
BOUCHON CLAPET LAITON CODE 1260162 POMPE NHP ANNOVI
05
Sur commande
BOUCHON CONIQUE EN LAITON 1/8'' GAUCHE
08
En stock
CHEMISE AV D.18 CODE 1780110 POUR POMPE NHP ANNOVI
09
Sur commande
CORPS DE POMPE SXM ANNOVI
11
Sur commande
CIRCLIP INTÉRIEUR Ø52x2 C70 DIN742
12
Sur commande
ANNEAU CODE 1780550 POUR POMPE SXM ANNOVI
13
Sur commande
ROULEMENT 6304 CODE 1780490 POUR POMPE NHP ANNOVI
14
En stock
JAUGE A HUILE POUR POMPE NHP ANNOVI
15
En stock
AXE DE BIELLE Px23 POUR POMPE XM/XMS
17
Sur commande
VIS CHC M6x1x16 DIN912
18
Sur commande
COUVERCLE + NIVEAU D'HUILE POUR POMPE NHP ANNOVI
19
En stock
BIELLE POUR POMPE SXM ANNOVI
20
En stock
GUIDE PISTON POUR POMPE XM/XMS
21
Ce produit n'est plus disponible
JOINT 4.48 x 1.78
22
En stock
RONDELLE LARMIER
24
En stock
RONDELLE 8x13x0,5
25
En stock
ECROU M8 PISTON XT XM
26
Sur commande
SUPPORT DE POMPE SXM ANNOVI
27
En stock
JOINT O-RING 14x1,78 POUR POMPE NHP ANNOVI
28
Sur commande
BOUCHON LAITON 3/8'' GAZ
31
En stock
CHEMISE AR D.18 CODE 1780120 POUR POMPE NHP ANNOVI
34
En stock
BOUCHON 1/2''G EN LATION POUR POMPE NHP ANNOVI
35
En stock
JOINT O-RING 17,5x2
36
Sur commande
CULASSE CODE 1780020 POUR POMPE NHP ANNOVI
37
Sur commande
RONDELLE Ø6MM
38
En stock
VIS DE CULASSE M6x60 POUR POMPE NHP ANNOVI
40
Sur commande
ROULEMENT 4516 POUR POMPE NHP XT ANNOVI
41
En stock
ANNEAU ELASTIQUE CODE 1321080 POUR POMPE NHP ANNOVI
45
Sur commande
ARBRE POUR POMPE NHP SXM 15/15
57
En stock
TETE COMPLETE CODE 1789269 POUR POMPE NHP ANNOVI
71
En stock
JOINT CODE 1260250 POUR POMPE NHP ANNOVI
72
Sur commande
ANNEAU CODE 1260430 POUR POMPE NHP ANNOVI
73
Sur commande
VOYANT HUILE POMPE XM ANNOVI
74
En stock
JOINT O-RING 20,24x2,62
A
En stock
KIT 6 CLAPETS CODE 1864 POUR POMPE NHP ANNOVI
B
En stock
KIT 3 PISTONS DIAMETRE 18 CODE 2746 POMPE NHP ANNOVI
C
En stock
KIT JOINTS HUILE CODE 2787 POUR POMPE NHP ANNOVI
E
En stock
KIT JOINTS EAU DIAMETRE 18 CODE 2747 POMPE NHP ANNOVI
G
En stock
KIT 3 BAGUES D'APPUI CODE 2745 POUR POMPE NHP ANNOVI
01
En stock
131520
JOINT O-RING 17,86x2,62 POUR POMPE NHP ANNOVI
02
En stock
131785
BOUCHON CLAPET LAITON CODE 1260162 POMPE NHP ANNOVI
05
Sur commande
131214
BOUCHON CONIQUE EN LAITON 1/8'' GAUCHE
08
En stock
132162
CHEMISE AV D.18 CODE 1780110 POUR POMPE NHP ANNOVI
09
Sur commande
159295
CORPS DE POMPE SXM ANNOVI
11
Sur commande
131819
CIRCLIP INTÉRIEUR Ø52x2 C70 DIN742
12
Sur commande
132172
ANNEAU CODE 1780550 POUR POMPE SXM ANNOVI
13
Sur commande
132170
ROULEMENT 6304 CODE 1780490 POUR POMPE NHP ANNOVI
14
En stock
131474
JAUGE A HUILE POUR POMPE NHP ANNOVI
15
En stock
132158
AXE DE BIELLE Px23 POUR POMPE XM/XMS
17
Sur commande
159287
VIS CHC M6x1x16 DIN912
18
Sur commande
132175
COUVERCLE + NIVEAU D'HUILE POUR POMPE NHP ANNOVI
19
En stock
132174
BIELLE POUR POMPE SXM ANNOVI
20
En stock
132159
GUIDE PISTON POUR POMPE XM/XMS
21
Ce produit n'est plus disponible
131098
JOINT 4.48 x 1.78
22
En stock
131776
RONDELLE LARMIER
24
En stock
131777
RONDELLE 8x13x0,5
25
En stock
131778
ECROU M8 PISTON XT XM
26
Sur commande
131951
SUPPORT DE POMPE SXM ANNOVI
27
En stock
131307
JOINT O-RING 14x1,78 POUR POMPE NHP ANNOVI
28
Sur commande
159298
BOUCHON LAITON 3/8'' GAZ
31
En stock
132163
CHEMISE AR D.18 CODE 1780120 POUR POMPE NHP ANNOVI
34
En stock
131423
BOUCHON 1/2''G EN LATION POUR POMPE NHP ANNOVI
35
En stock
130927
JOINT O-RING 17,5x2
36
Sur commande
132156
CULASSE CODE 1780020 POUR POMPE NHP ANNOVI
37
Sur commande
159294
RONDELLE Ø6MM
38
En stock
131905
VIS DE CULASSE M6x60 POUR POMPE NHP ANNOVI
40
Sur commande
140427
ROULEMENT 4516 POUR POMPE NHP XT ANNOVI
41
En stock
131893
ANNEAU ELASTIQUE CODE 1321080 POUR POMPE NHP ANNOVI
45
Sur commande
132166
ARBRE POUR POMPE NHP SXM 15/15
57
En stock
132177
TETE COMPLETE CODE 1789269 POUR POMPE NHP ANNOVI
71
En stock
131791
JOINT CODE 1260250 POUR POMPE NHP ANNOVI
72
Sur commande
131799
ANNEAU CODE 1260430 POUR POMPE NHP ANNOVI
73
Sur commande
159297
VOYANT HUILE POMPE XM ANNOVI
74
En stock
131705
JOINT O-RING 20,24x2,62
A
En stock
130410
KIT 6 CLAPETS CODE 1864 POUR POMPE NHP ANNOVI
B
En stock
130602
KIT 3 PISTONS DIAMETRE 18 CODE 2746 POMPE NHP ANNOVI
C
En stock
130623
KIT JOINTS HUILE CODE 2787 POUR POMPE NHP ANNOVI
E
En stock
130603
KIT JOINTS EAU DIAMETRE 18 CODE 2747 POMPE NHP ANNOVI
G
En stock
130601
KIT 3 BAGUES D'APPUI CODE 2745 POUR POMPE NHP ANNOVI