POMPE SEULE AA12 POUR
Code 160395
Attention la pompe est livrée seule.
N'oubliez pas de commander l’accouplement référence 103986 !
N'oubliez pas de commander l’accouplement référence 103986 !
POMPE SEULE AA12 POUR
VERSION HYDRAULIQUE 03R-A
Réf. 160395
Identifiants incorrects
Connectez-vous pour connaître votre prix
Vous n'avez pas de compte ?
Créez un compte distributeur
Documents relatifs au produit
Avantages produits
Attention la pompe est livrée seule.
N'oubliez pas de commander l’accouplement référence 103986 !
N'oubliez pas de commander l’accouplement référence 103986 !
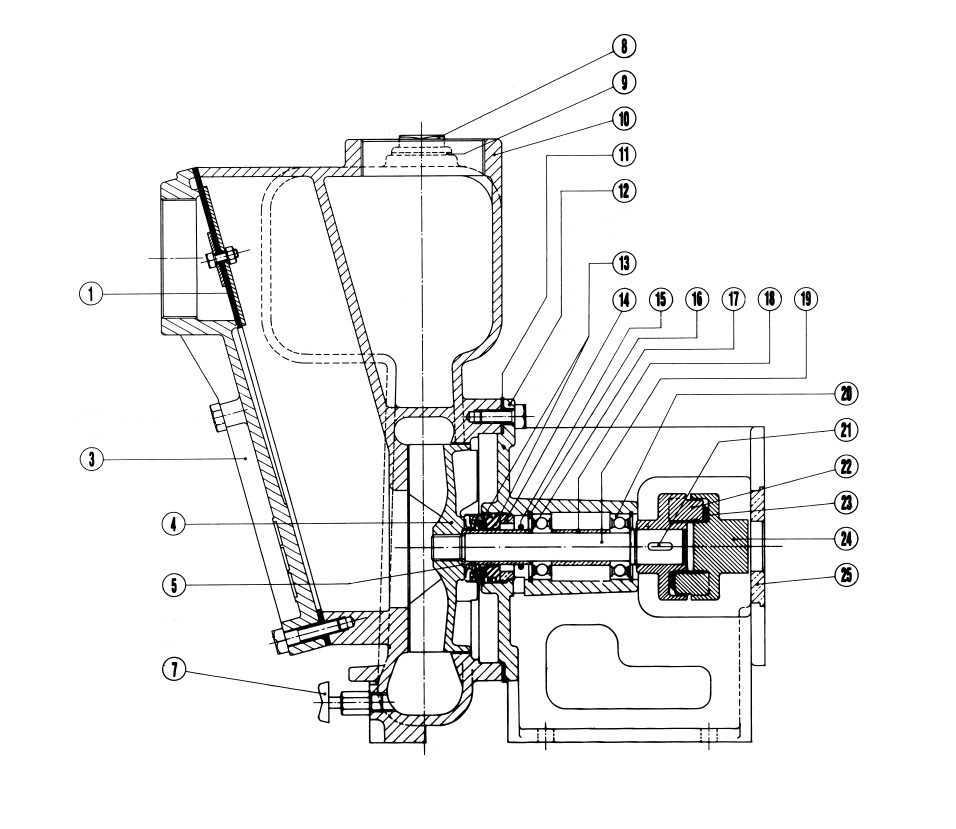
Vues éclatées
Repère
Code
Stock
Libellé
01
En stock
CLAPET GARNI POUR POMPE AA5-7EL ET AA12PL
03
Sur commande
COUVERCLE DE POMPE AA12PL
04
En stock
TURBINE POUR POMPE ENGRAIS AA7ES/DI, AA56PF, AA12PL
05
En stock
CHEMISE D'ARBRE DE PPE AA12PL
07
Sur commande
VIS PURGE POUR POMPE AA 7 ES DI
08
Sur commande
BOUCHON DE VIDANGE POUR POMPE AA30 PF AA7ES/DI
09
Sur commande
JOINT D'ETANCHEITE BOUCHON REMPLISSAGE POUR PPE 110821
10
En stock
CORPS DE POMPE A ENGRAIS SEUL POUR AA7ES-DI
11
En stock
JOINT DE CORPS PAPIER POUR POMPE AA5-7EL ET AA12EL
12
Sur commande
SUPPORT POUR POMPE AA12 SEUL VERSION MH
13
En stock
GARNITURE MECANIQUE AT25 POUR POMPE AA5-7EL ET AA56PF
14
En stock
BAGUE POUR ENTRETOISE NYLON DE PPE AA12P
15
En stock
JOINT DE CHEMISE DE PPE AA12PL
16
En stock
BAGUE D'ARRET DE PPE AA12PL
17
En stock
JOINT CHEMISE D'ENTRETOISE DE PPE AA12PL
18
En stock
ENTRETOISE D'ARBRE H28 POUR POMPE AA12 VERSION MH
19
Sur commande
ARBRE DE POMPE AA12 SEUL POUR VERSION MH
20
Sur commande
ROULEMENT 6204 2Z
21
Sur commande
CLAVETTE POUR POMPE AA12 SEUL VERSION MH (6x6x18)
22
Sur commande
1/2 ACCOUPLEMENT COTE POMPE POUR POMPE AA12SEUL VERSION MH
23
Sur commande
SILENTBLOCK D'ACCOUPLEMENT POUR POMPE AA12SEUL VERSION MH
24
Sur commande
1/2 ACCOUPLEMENT COTE MOTEUR POUR POMPE AA12SEUL VERSION MH
25
Sur commande
FLASQUE ARRIERE DE POMPE AA12 SEUL VERSION MH
01
En stock
483625
CLAPET GARNI POUR POMPE AA5-7EL ET AA12PL
03
Sur commande
164074
COUVERCLE DE POMPE AA12PL
04
En stock
483040
TURBINE POUR POMPE ENGRAIS AA7ES/DI, AA56PF, AA12PL
05
En stock
485022
CHEMISE D'ARBRE DE PPE AA12PL
07
Sur commande
104924
VIS PURGE POUR POMPE AA 7 ES DI
08
Sur commande
107950
BOUCHON DE VIDANGE POUR POMPE AA30 PF AA7ES/DI
09
Sur commande
157901
JOINT D'ETANCHEITE BOUCHON REMPLISSAGE POUR PPE 110821
10
En stock
104921
CORPS DE POMPE A ENGRAIS SEUL POUR AA7ES-DI
11
En stock
483184
JOINT DE CORPS PAPIER POUR POMPE AA5-7EL ET AA12EL
12
Sur commande
810347
SUPPORT POUR POMPE AA12 SEUL VERSION MH
13
En stock
709025
GARNITURE MECANIQUE AT25 POUR POMPE AA5-7EL ET AA56PF
14
En stock
485023
BAGUE POUR ENTRETOISE NYLON DE PPE AA12P
15
En stock
485024
JOINT DE CHEMISE DE PPE AA12PL
16
En stock
485020
BAGUE D'ARRET DE PPE AA12PL
17
En stock
485025
JOINT CHEMISE D'ENTRETOISE DE PPE AA12PL
18
En stock
810321
ENTRETOISE D'ARBRE H28 POUR POMPE AA12 VERSION MH
19
Sur commande
810322
ARBRE DE POMPE AA12 SEUL POUR VERSION MH
20
Sur commande
140443
ROULEMENT 6204 2Z
21
Sur commande
810325
CLAVETTE POUR POMPE AA12 SEUL VERSION MH (6x6x18)
22
Sur commande
810326
1/2 ACCOUPLEMENT COTE POMPE POUR POMPE AA12SEUL VERSION MH
23
Sur commande
810328
SILENTBLOCK D'ACCOUPLEMENT POUR POMPE AA12SEUL VERSION MH
24
Sur commande
810330
1/2 ACCOUPLEMENT COTE MOTEUR POUR POMPE AA12SEUL VERSION MH
25
Sur commande
810331
FLASQUE ARRIERE DE POMPE AA12 SEUL VERSION MH