Compte utilisateur
Icône de recherche
/
/
/
/
/
POMPE ETV DN150 15KW
POMPE ELECTRIQUE VERTICALE
Code 817444
POMPE ETV DN150 15KW
POMPE ETV DN150 15KW
Image avantage produit
Turbine multicanale avec double système de hachage.
Sur châssis vertical complet avec bouche d'aspiration.
Équipée d'un support moteur et d'un accouplement flexible pour moteurs électriques standard.
Flèche pour valeur1

POMPE ELECTRIQUE VERTICALE

HACHEUSE DN150 15KW
Réf. 817444

Connectez-vous pour connaître votre prix

Afficher le mot de passe
Mot de passe oublié ?
Vous n'avez pas de compte ?
Créez un compte distributeur

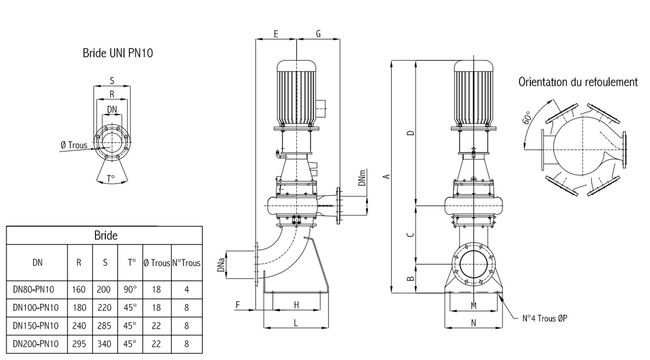
Tableau technique

Dimension A :
1817 mm
DNR :
150
Puissance :
15 kW
Tour/min :
1450
DNA :
200
Modèle :
ETV
Passage libre :
40 mm
Dimension B :
225 mm
Dimension C :
456 mm
Dimension D :
1136 mm
Dimension E :
317 mm
Dimension F :
131 mm
Dimension G :
342 mm
Dimension H :
370 mm
Dimension L :
506 mm
Dimension N :
450 mm
Dimension M :
370 mm
Dimension P :
20 mm
Dimension R :
295 mm
Dimension S :
340 mm
Type de roue :
Hacheuse
Taux de matière sèche max. :
9 %

Documents relatifs au produit

Icône document
Fiche technique
Format PDF
Icône document
Code EAN
Format WEB
Icône document
Courbe
Format JPG | 140.41 Kb
Icône document
Plan d'encombrement
Format JPG | 106.85 Kb
Icône document
Schéma
Format JPG | 37.06 Kb
Icône document
Schéma installation
Format JPG | 70.41 Kb

Avantages produits

Image avantage produit
Turbine multicanale avec double système de hachage.
Sur châssis vertical complet avec bouche d'aspiration.
Équipée d'un support moteur et d'un accouplement flexible pour moteurs électriques standard.

Description technique

Construction :
- Moteur électrique asynchrone triphasé
- Rotor à cage d'écureuil
- Degré de protection IP55
- Classe d'isolement F

Utilisation :
- Matières en suspension : 12% maximum
- PH du liquide : 5 ÷ 12 maximum
- Température du liquide : 60°C maximum

Caractéristiques techniques s :
- T45°
- Diamètre des trous : 22
- Nombre de trous : 8
Entreprise Française
Entreprise Française
Plus de 100 ans d'expérience
Plus de 100 ans d'expérience
Spécialiste multi-fluides
Spécialiste multi-fluides
Un conseiller dédié
Un conseiller dédié
Livraison rapide
Livraison rapide