GROUPE DE SURPRESSION 230L TRI
Code 825110
Resistant à la corrosion
Technologie brevetée
Pour usage intensif
GROUPE DE SURPRESSION 230L TRI
COFFRET MANQUE D'EAU 1,85KW
Réf. 825110
Identifiants incorrects
Connectez-vous pour connaître votre prix
Vous n'avez pas de compte ?
Créez un compte distributeur
Documents relatifs au produit
Avantages produits
Caractéristiques techniques :
Température maximale de l'eau : 35°C
Pour eaux claires
Adapté à un usage intensif
Composition du groupe de surpression
Afin de faciliter sa mise en place, le groupe vous est livré déjà monté, prêt à l'emploi. Il est composé de :
Température maximale de l'eau : 35°C
Pour eaux claires
Adapté à un usage intensif
Composition du groupe de surpression
Afin de faciliter sa mise en place, le groupe vous est livré déjà monté, prêt à l'emploi. Il est composé de :
Un châssis en acier peint
Une pompe de surface 825094
Un réservoir à vessie en thermoplastique de 230L
Un manomètre
Un pressostat
Une armoire de commande
Pourquoi utiliser un ballon en thermoplastiques et pas en acier ?
Pourquoi utiliser un ballon en thermoplastiques et pas en acier ?
Le réservoir présente une meilleure réserve utile qu'un réservoir à vessie en acier. Cela rend l'installation plus efficiente : un meilleur rendement réduit les actions de la pompe, la protégeant mais aussi permettant une économie de 30% de courant électrique.
Technologie brevetée pour une résistance mécanique supérieure
Fabriqué à base de thermoplastiques recyclés, ne rouille pas
Production locale à faible empreinte environnementale
Deux fois plus léger qu'un réservoir en acier
Garantie du réservoir : 10 ans
Changement de vessie en 5 minutes, après vidange du réservoir
Plus de sécurité : En cas de forte surpression, les fibres de verre s'ouvrent et laissent échapper l'eau, sans endommager le reste de l'installation (pas d'éclatement)
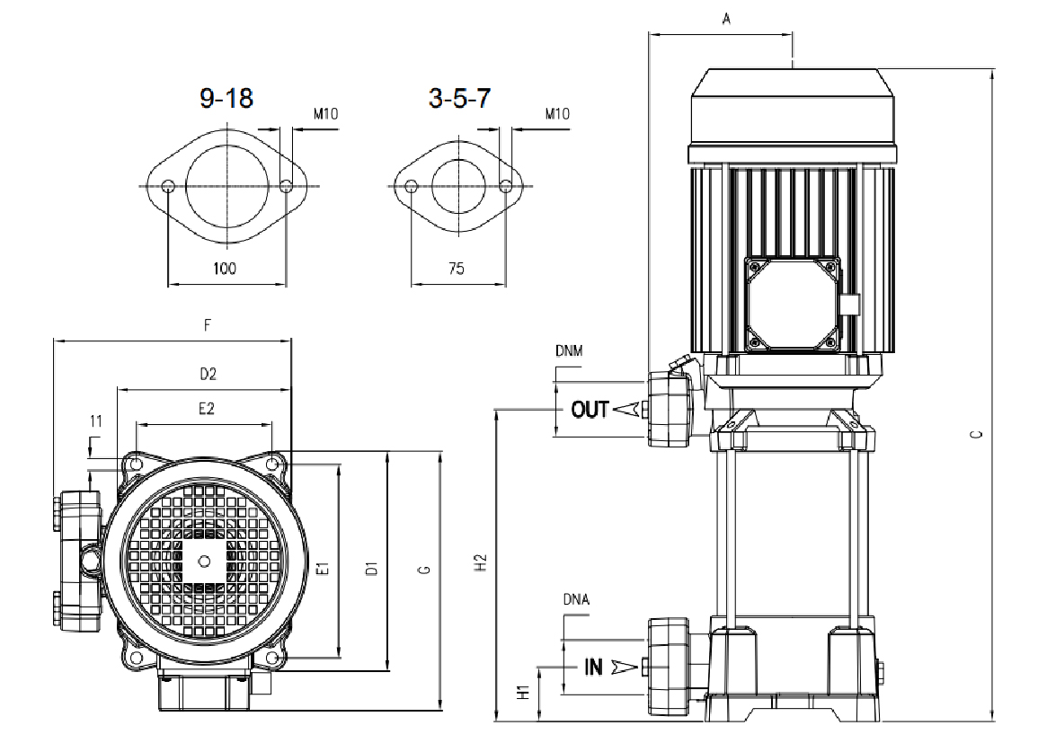
Description technique
Pourquoi utiliser un groupe de surpression ?
Le groupe de surpression s'utilise pour :
- Augmenter la pression d'eau :
Dans certaines installations, la pression d'eau provenant du réseau municipal ou d'un réservoir est trop faible pour atteindre les étages supérieurs d'un bâtiment ou pour alimenter correctement des équipements nécessitant une haute pression. Le groupe de surpression compense cette faiblesse.
- Assurer un débit d'eau constant :
Il permet de maintenir un débit d'eau constant même lorsque la demande varie, par exemple lors de l'utilisation simultanée de plusieurs points de tirage d'eau dans un immeuble.
- Stabiliser la pression dans le réseau :
Le groupe de surpression permet d'éviter les variations de pression (coups de bélier), qui peuvent endommager les canalisations et les équipements.
Le groupe de surpression s'utilise pour :
- Augmenter la pression d'eau :
Dans certaines installations, la pression d'eau provenant du réseau municipal ou d'un réservoir est trop faible pour atteindre les étages supérieurs d'un bâtiment ou pour alimenter correctement des équipements nécessitant une haute pression. Le groupe de surpression compense cette faiblesse.
- Assurer un débit d'eau constant :
Il permet de maintenir un débit d'eau constant même lorsque la demande varie, par exemple lors de l'utilisation simultanée de plusieurs points de tirage d'eau dans un immeuble.
- Stabiliser la pression dans le réseau :
Le groupe de surpression permet d'éviter les variations de pression (coups de bélier), qui peuvent endommager les canalisations et les équipements.