ENROULEUR ACIER POUR GRAISSE
Code 975126
Système d’arrêt automatique : permet de bloquer le flexible à la dimension désirée
Ressort enrouleur automatique à force constante complètement protégé
Bras réglable afin de favoriser la sortie du flexible en fonction de l’installation de l’enrouleur
ENROULEUR ACIER POUR GRAISSE
EQUIPE FLEXIBLE 15M EN 1/4''
Réf. 975126
Identifiants incorrects
Connectez-vous pour connaître votre prix
Vous n'avez pas de compte ?
Créez un compte distributeur
Accessoires conseillés
Sélectionnez un ou plusieurs accessoires pour les ajouter à votre panier
Tableau technique
Dimension A :
120 mm
Matière :
Acier peint
Type :
Automatique
Diametre du flexible :
1/4''
Flexible :
En caoutchouc - Renforcé avec 2 tresses acier
Flexible :
15 m
Liquide :
Graisse
Raccord entrée :
M1/2''
Raccord sortie :
M1/4''
Dimension B :
560 mm
Dimension C :
450 mm
Dimension D :
180 mm
Dimension E :
140 mm
Dimension F :
204 mm
Dimension G :
232 mm
Poids :
18 Kg
Pression max :
400 bar
Support :
Fixe
Pression de service :
400 bar
Raccord de sortie :
1/4M
Raccord d'entrée :
1/2M
Température de travail :
-40°C / +100°C
Documents relatifs au produit
Avantages produits
Système d’arrêt automatique : permet de bloquer le flexible à la dimension désirée
Ressort enrouleur automatique à force constante complètement protégé
Bras réglable afin de favoriser la sortie du flexible en fonction de l’installation de l’enrouleur
Rouleaux de guidage flexible auto-lubrifiants
Tampon bloque flexible réglable
Flexible de distribution caoutchouc haute pression ¼‘’ renforcé avec deux tresses acier.
Description technique
Solution idéale pour sécuriser et ordonner les ateliers mécaniques et de maintenance, les garages et concessions, les industries,…
Structure et tambour en acier peint. L’acier peint résistant à la corrosion permet une utilisation professionnelle sous abri ou en extérieur.
Structure et tambour en acier peint. L’acier peint résistant à la corrosion permet une utilisation professionnelle sous abri ou en extérieur.
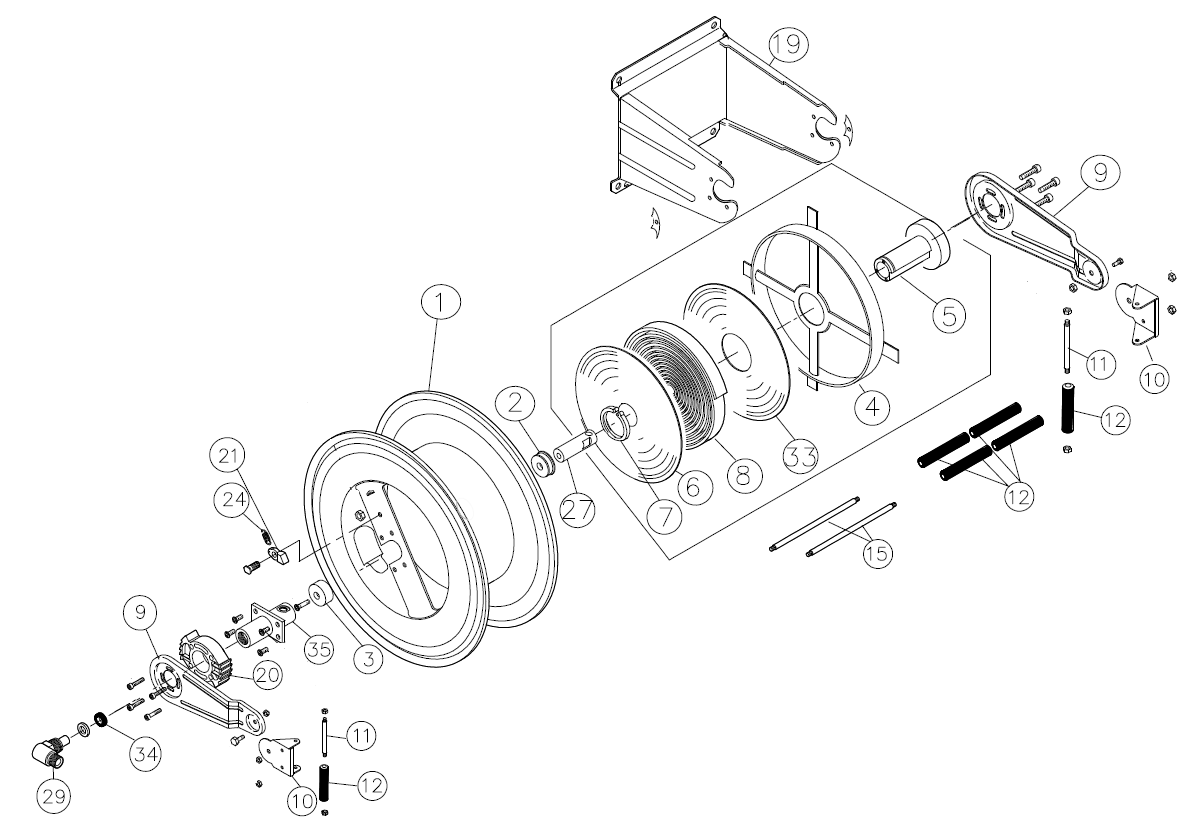
Vues éclatées
Repère
Code
Stock
Libellé
01
Sur commande
TAMBOUR POUR ENROULEUR 975106 - 975107
03
Sur commande
TAMPON 26x34 POUR ENROULEURS
04
Sur commande
SUPPORT RESSORT POUR ENROULEUR 975106 - 975107
05
Sur commande
MOYEN D'ENROULEMENT POUR ENROULEURS
06
Sur commande
BRAS GAUCHE POUR ENROULEUR 975106 - 975107
07
Sur commande
CIRCLIPS POUR ENROULEURS
08
Sur commande
RESSORT D'ENROULEMENT POUR ENROULEUR 975106
09
Sur commande
BRAS POUR ENROULEURS
10
Sur commande
ETRIER POUR ENROULEURS
11
Sur commande
TIRANT POUR ENROULEURS
12
Sur commande
ROULEAU POUR ENROULEUR 975106
15
Sur commande
TIRANT POUR ENROULEURS
19
Sur commande
SUPPORT POUR ENROULEURS
20
Sur commande
CLIQUET POUR ENROULEURS
21
Sur commande
LOQUET D'ARRET POUR ENROULEURS
24
Sur commande
RESSORT CLIQUET POUR ENROULEURS
27
Sur commande
CLIQUET POUR ENROULEURS
29
En stock
RACCORD TOURNANT POUR ENROULEUR 975106-975107
33
Sur commande
BRAS DROIT POUR ENROULEUR 975106 - 975107
34
Sur commande
JOINT POUR ENROULEUR 975106
35
Sur commande
BROCHE DE CONNECTION 1'' POUR ENROULEUR 975106-975107
01
Sur commande
812380
TAMBOUR POUR ENROULEUR 975106 - 975107
03
Sur commande
812365
TAMPON 26x34 POUR ENROULEURS
04
Sur commande
812379
SUPPORT RESSORT POUR ENROULEUR 975106 - 975107
05
Sur commande
812364
MOYEN D'ENROULEMENT POUR ENROULEURS
06
Sur commande
812383
BRAS GAUCHE POUR ENROULEUR 975106 - 975107
07
Sur commande
812349
CIRCLIPS POUR ENROULEURS
08
Sur commande
812378
RESSORT D'ENROULEMENT POUR ENROULEUR 975106
09
Sur commande
812391
BRAS POUR ENROULEURS
10
Sur commande
164386
ETRIER POUR ENROULEURS
11
Sur commande
164387
TIRANT POUR ENROULEURS
12
Sur commande
812408
ROULEAU POUR ENROULEUR 975106
15
Sur commande
164389
TIRANT POUR ENROULEURS
19
Sur commande
812390
SUPPORT POUR ENROULEURS
20
Sur commande
812381
CLIQUET POUR ENROULEURS
21
Sur commande
812362
LOQUET D'ARRET POUR ENROULEURS
24
Sur commande
518990
RESSORT CLIQUET POUR ENROULEURS
27
Sur commande
812350
CLIQUET POUR ENROULEURS
29
En stock
164504
RACCORD TOURNANT POUR ENROULEUR 975106-975107
33
Sur commande
812384
BRAS DROIT POUR ENROULEUR 975106 - 975107
34
Sur commande
812418
JOINT POUR ENROULEUR 975106
35
Sur commande
812359
BROCHE DE CONNECTION 1'' POUR ENROULEUR 975106-975107